Unit of Measure

Technical Specifications

Type

N/A Deep Groove Ball Bearing

Bore Type

N/A Round

Material

N/A High Carbon Chrome Steel

Cage Type

N/A Pressed

Cage Material

N/A Steel

Ball Material

N/A Steel

Limiting Speed - Grease

N/A 5400 rpm

Precision

N/A ISO Class 0

Configuration

N/A One

Factor

N/A 14.3

Radial Internal Clearance

N/A CN

Static Load Rating

N/A 12205 lbf54290 N54.29 kN

Dynamic Load Rating

N/A 15507 lbf68975 N68.98 kN

Enclosure

N/A Double Shielded

Weight

N/A 1.929 lb0.875 kg

Operating Temperature Range

N/A -40 to 250 ºF-40 to 120 ºC

Dimensional Specifications


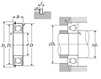
Single Row Radial Ball Bearing - Double Shielded w/ Snap Ring, Series BL2 - Dimensions

d

N/A 2.3622 in60.000 mm

D

N/A 4.33070 in110.000 mm

B

N/A 0.86610 in22.000 mm

D1

N/A 4.2051 in106.810 mm

D2

N/A 4.5906 in116.600 mm

a

N/A 0.1291 in3.280 mm

f

N/A 0.0969 in2.460 mm

r

N/A 0.05910 in1.500 mm

r1

N/A 0.0197 in0.500 mm

da min

N/A 2.6772 in68 mm

da max

N/A 2.9528 in75.000 mm

Da max

N/A 2.9528 in75 mm

ras max

N/A 0.0590 in1.5 mm